8618
低成本保持力矩可达4.94N-m
常用标准电机参数,更多选择请访问英文官网
|
型号 |
NEMA |
步距角 |
接线 |
机身长度 in (mm) |
额定电流 (A) |
保持力矩 oz-in (Nm) |
电阻 (欧姆) |
转动惯量 oz-in2 |
整机重量 lbs |
引线数量 |
|
8618L-03S |
34 |
1.8° |
串联 |
5.07(128.8) |
4.69 |
700.0(4.94) |
0.90 |
9.85 |
8.00 |
4 |
|
8618L-03P |
34 |
1.8° |
并联 |
5.07(128.8) |
9.38 |
700.0(4.94) |
0.20 |
9.85 |
8.00 |
4 |
|
8618S-01S |
34 |
1.8° |
串联 |
2.50(63.5) |
4.27 |
252.0(1.78) |
0.40 |
3.10 |
3.20 |
4 |
|
8618S-01P |
34 |
1.8° |
并联 |
2.50(63.5) |
8.54 |
252.0(1.78) |
0.10 |
3.10 |
3.20 |
4 |
|
8618M-02S |
34 |
1.8° |
串联 |
3.74(95.0) |
2.80 |
490.0(3.46) |
1.50 |
6.02 |
5.65 |
4 |
|
8618M-02P |
34 |
1.8° |
并联 |
3.74(95.0) |
5.60 |
490.0(3.46) |
0.40 |
6.02 |
5.65 |
4 |
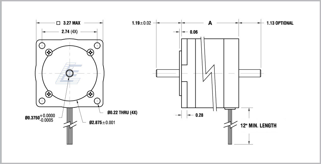
电机外形尺寸(单位:英寸)

