E5618
力矩增强型保持力矩可达1.06N-m
常用标准电机参数,更多选择请访问英文官网
|
型号 |
NEMA |
步距角 |
接线 |
机身长度 in (mm) |
额定电流 (A) |
保持力矩 oz-in (Nm) |
电阻 (欧姆) |
转动惯量 oz-in2 |
整机重量 lbs |
引线数量 |
|
E5618S-01S |
23 |
1.8° |
串联 |
2.01(51.1) |
2.30 |
150.0(1.06) |
1.27 |
0.71 |
1.20 |
4 |
|
E5618S-01P |
23 |
1.8° |
并联 |
2.01(51.1) |
4.60 |
150.0(1.06) |
0.31 |
0.71 |
1.20 |
4 |
|
E5618S-02S |
23 |
1.8° |
串联 |
2.01(51.1) |
1.75 |
150.0(1.06) |
2.14 |
0.71 |
1.20 |
4 |
|
E5618S-02P |
23 |
1.8° |
并联 |
2.01(51.1) |
3.50 |
150.0(1.06) |
0.54 |
0.71 |
1.20 |
4 |
|
E5618S-03S |
23 |
1.8° |
串联 |
2.01(51.1) |
0.76 |
150.0(1.06) |
8.73 |
0.71 |
1.20 |
4 |
|
E5618S-03P |
23 |
1.8° |
并联 |
2.01(51.1) |
1.51 |
150.0(1.06) |
2.08 |
0.71 |
1.20 |
4 |
|
E5618S-60S |
23 |
1.8° |
串联 |
2.01(51.1) |
2.80 |
150.0(1.06) |
0.88 |
0.71 |
1.20 |
4 |
|
E5618S-60P |
23 |
1.8° |
并联 |
2.01(51.1) |
5.60 |
150.0(1.06) |
0.22 |
0.71 |
1.20 |
4 |
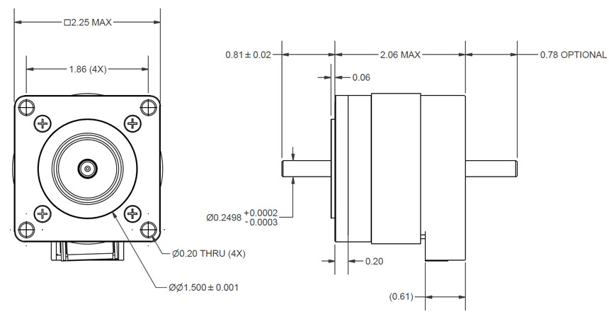
电机外形尺寸(单位:英寸)

