416-07
发表时间:9/28/2014 4:58:58 PM阅读次数:1647

专利技术,适用高精度高平稳运动控制保持力矩可达0.06N-m
常用标准电机参数,更多选择请访问英文官网
|
型号 |
NEMA |
步距角 |
极性 |
机身长度 |
额定电流 (A) |
保持力矩 oz-in (Nm) |
电阻 (欧姆) |
转动惯量 oz-in2 |
整机重量 lbs |
引线数量 |
|
416-07-05 |
16 |
0.9° |
双极 |
0.70(17.8) |
0.60 |
8.4(0.06) |
5.40 |
0.04 |
0.23 |
4 |
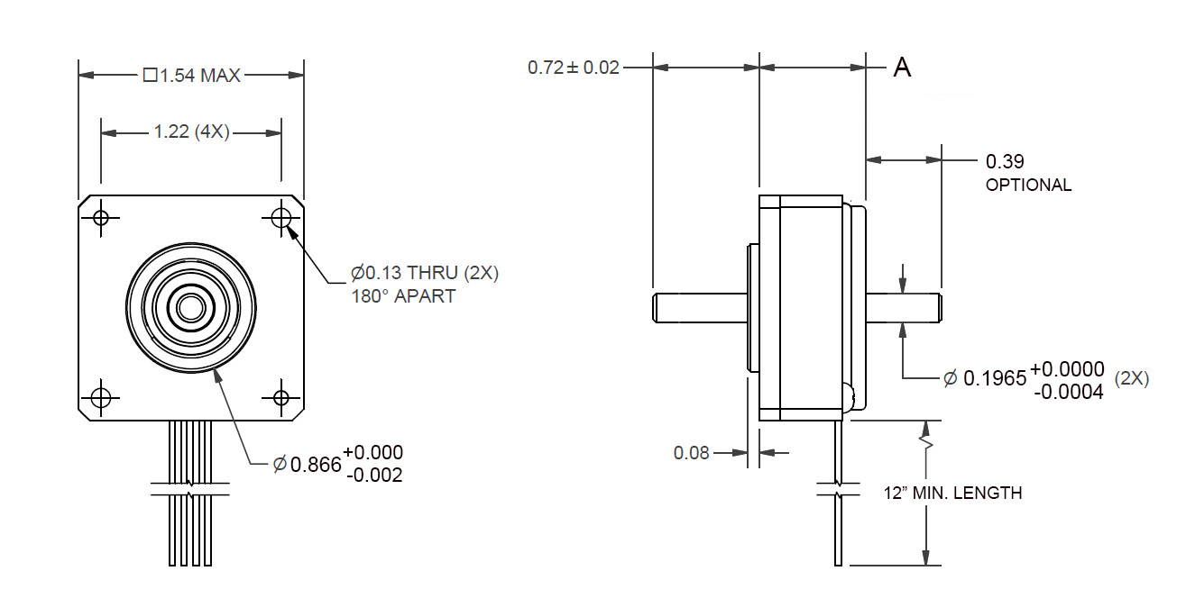
电机外形尺寸(单位:英寸)

