416

专利技术,适用高精度高平稳运动控制保持力矩可达0.06N-m
常用标准电机参数,更多选择请访问英文官网
|
型号 |
NEMA |
步距角 |
极性 |
机身长度 |
额定电流 (A) |
保持力矩 oz-in (Nm) |
电阻 (欧姆) |
转动惯量 oz-in2 |
整机重量 lbs |
引线数量 |
|
416-05-04 |
16 |
0.9° |
双极 |
0.54(14.0) |
0.60 |
6.0(0.04) |
5.00 |
0.03 |
0.20 |
4 |
|
416-06-05 |
16 |
0.9° |
双极 |
0.58(14.7) |
0.60 |
7.3(0.05) |
4.70 |
0.04 |
0.21 |
4 |
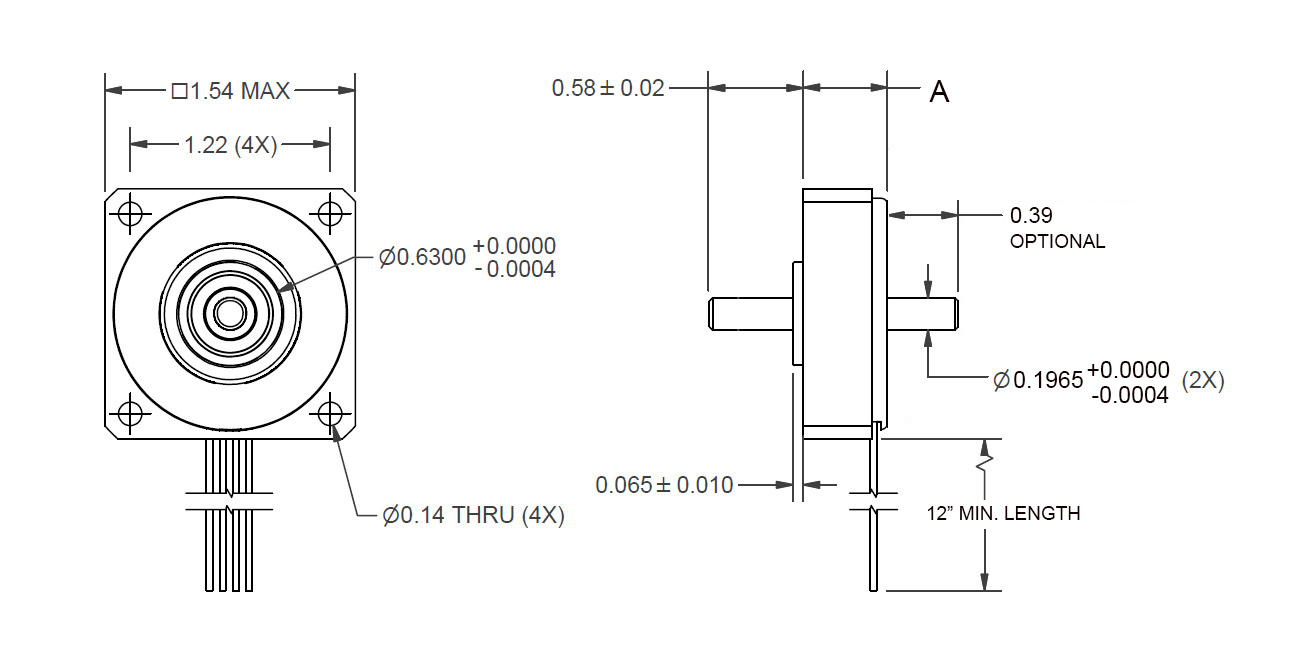
电机外形尺寸(单位:英寸)

