4209
专利技术,适用高精度高平稳运动控制保持力矩可达0.44N-m
常用标准电机参数,更多选择请访问英文官网
|
型号 |
NEMA |
步距角 |
极性 |
机身长度in (mm) |
额定电流 (A) |
保持力矩 oz-in (Nm) |
电阻 (欧姆) |
转动惯量 oz-in2 |
整机重量 lbs |
引线数量 |
|
4209S-01P |
17 |
0.9° |
双极 |
1.34(34.0) |
1.33 |
31.0(0.22) |
2.40 |
0.19 |
0.44 |
4 |
|
4209S-01S |
17 |
0.9° |
双极 |
1.34(34.0) |
0.67 |
31.0(0.22) |
9.60 |
0.19 |
0.44 |
4 |
|
4209M-01P |
17 |
0.9° |
双极 |
1.57(39.9) |
1.70 |
51.0(0.36) |
1.50 |
0.30 |
0.56 |
4 |
|
4209M-01S |
17 |
0.9° |
双极 |
1.57(39.9) |
0.84 |
51.0(0.36) |
6.10 |
0.30 |
0.56 |
4 |
|
4209L-01P |
17 |
0.9° |
双极 |
1.89(48.0) |
1.70 |
62.0(0.44) |
1.90 |
0.37 |
0.70 |
4 |
|
4209L-01S |
17 |
0.9° |
双极 |
1.89(48.0) |
0.84 |
62.0(0.44) |
7.60 |
0.37 |
0.70 |
4 |
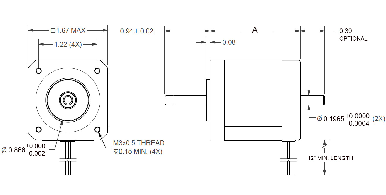
电机外形尺寸(单位:英寸)

