4118
针对高低速应用可定制绕线保持力矩可达0.81N-m,高于标准NEMA 17规格电机
常用标准电机参数,更多选择请访问英文官网
|
型号 |
NEMA |
步距角 |
极性 |
机身长度 |
额定电流 (A) |
保持力矩 oz-in (Nm) |
电阻 (欧姆) |
转动惯量 oz-in2 |
整机重量 lbs |
引线数量 |
|
4118S-04P |
17 |
1.8° |
双极 |
1.34(34.0) |
1.34 |
42.0(0.30) |
2.50 |
0.18 |
0.40 |
4 |
|
4118S-04S |
17 |
1.8° |
双极 |
1.34(34.0) |
0.67 |
42.0(0.30) |
9.90 |
0.18 |
0.40 |
4 |
|
4118M-06P |
17 |
1.8° |
双极 |
1.58(40.1) |
1.40 |
63.0(0.44) |
2.70 |
0.28 |
0.60 |
4 |
|
4118M-06S |
17 |
1.8° |
双极 |
1.58(40.1) |
0.70 |
63.0(0.44) |
10.80 |
0.28 |
0.60 |
4 |
|
4118L-07S |
17 |
1.8° |
双极 |
1.89(48.0) |
1.05 |
83.0(0.59) |
5.20 |
0.37 |
0.70 |
4 |
|
4118L-07P |
17 |
1.8° |
双极 |
1.89(48.0) |
2.10 |
83.0(0.59) |
1.30 |
0.37 |
0.70 |
4 |
|
4118C-01 |
17 |
1.8° |
双极 |
2.34(59.4) |
2.00 |
115.0(0.88) |
2.00 |
0.56 |
0.90 |
4 |
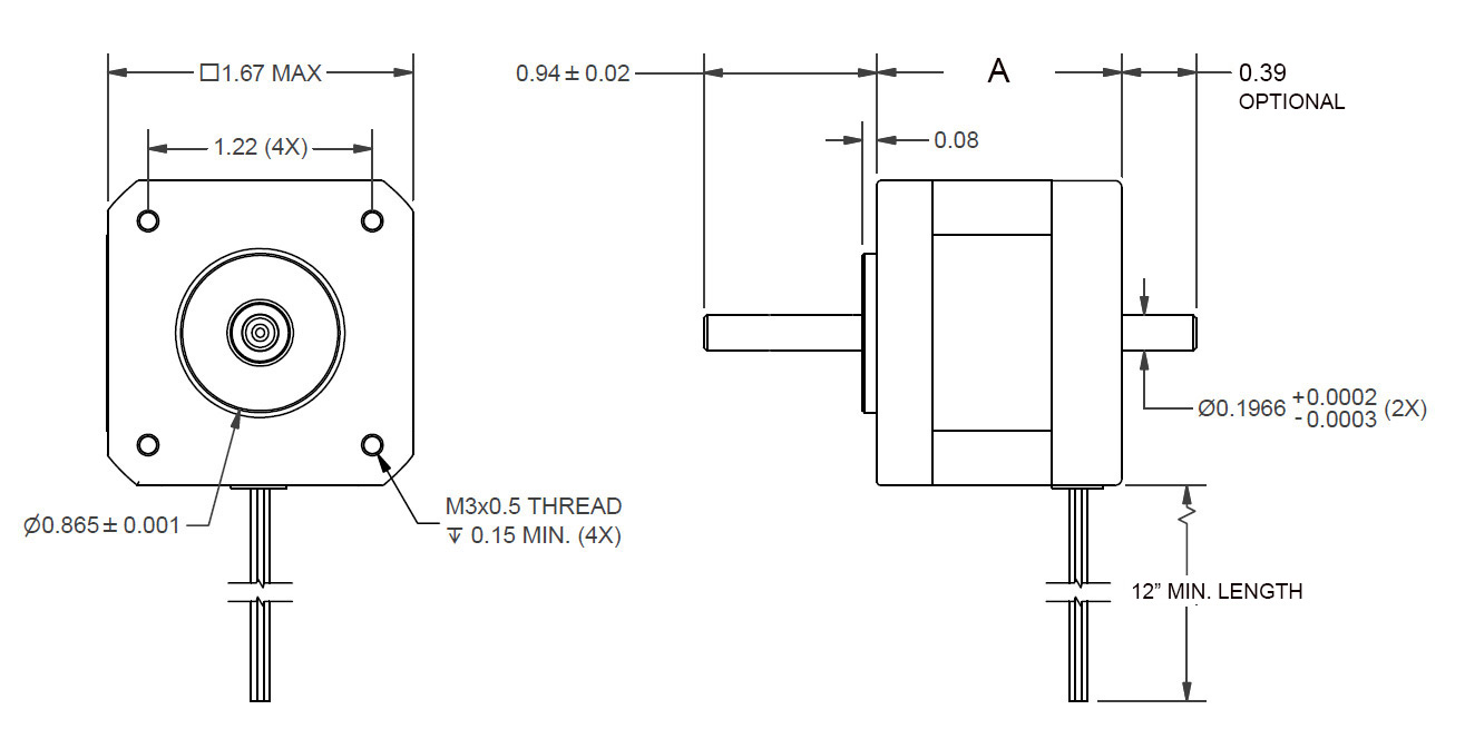
电机外形尺寸(单位:英寸)

